Wednesday, March 13, 2024

✈️ 2's Complement Circuit Diagram: Mastering Digital Arithmetic

Title: "2's Complement Circuit Diagram Demystified: Unveiling the Digital Arithmetic"Meta Description: Discover the inner workings of the 2's Complement Circuit Diagram and its pivotal role in representing negative numbers in digital electronics.

In the realm of digital electronics, understanding the 2's Complement Circuit Diagram is fundamental. This critical circuit plays a pivotal role in representing negative numbers, making it a cornerstone in the architecture of modern computing systems. By delving into its intricacies, we unravel the method behind converting binary numbers to their negative counterparts, paving the way for a deeper comprehension of digital arithmetic.The 2's Complement Circuit Diagram embodies elegance in its simplicity, yet its implications are profound. By grasping its inner workings, we unlock a gateway to a world where negative numbers are no longer a mystery, but a calculated reality. Join us as we explore the schematic foundation of digital arithmetic, where every bit counts in shaping the digital landscape of our technological future.

2

Understanding the Concept

Understanding 2 S Complement Circuit Diagram

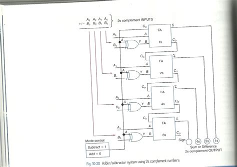
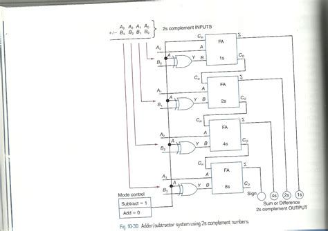
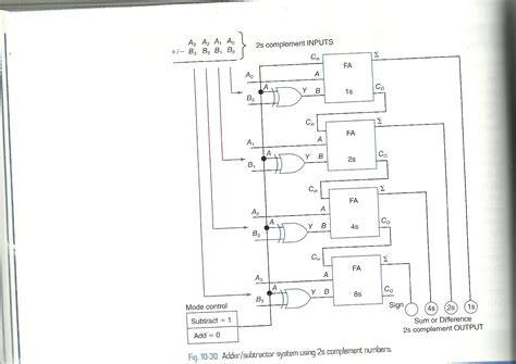
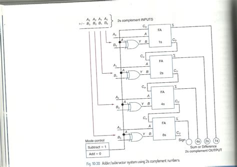
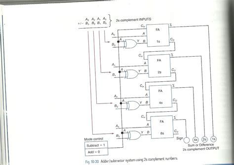
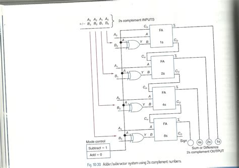
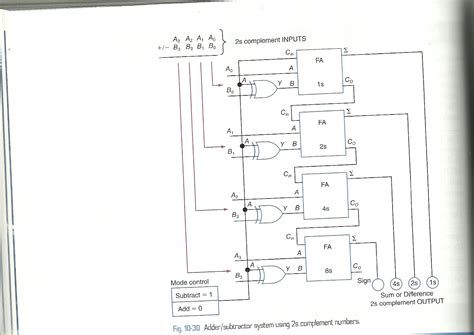
The 2's complement circuit diagram is a crucial element in digital electronics, particularly in representing negative numbers. This concept is fundamental to understanding how computers and digital devices handle arithmetic operations involving negative values.

Binary Number Representation

Binary 2 S Complement Circuit Diagram

At its core, the 2's complement circuit diagram relies on the binary number system. It offers a simple yet powerful way to represent both positive and negative integers using only 0s and 1s, making it efficient for digital calculations.

Conversion Process

Conversion 2 S Complement Circuit Diagram

The process of converting a positive integer to its negative counterpart using the 2's complement circuit diagram involves inverting all bits and adding 1. This method simplifies the arithmetic operations for subtraction in digital systems.

Applications in Computing

Applications 2 S Complement Circuit Diagram

The 2's complement circuit diagram is widely used in computer systems for various operations, including arithmetic calculations, data encoding, and error detection. Its efficiency and simplicity make it a preferred choice in digital design.

Advantages and Limitations

Advantages 2 S Complement Circuit Diagram

One of the key advantages of the 2's complement circuit diagram is its ability to perform arithmetic operations without the need for separate subtraction logic. However, it has limitations in terms of range, which must be considered in digital design.

Comparison with Other Number Systems

Comparison 2 S Complement Circuit Diagram

When compared to other number systems, such as the 1's complement, the 2's complement circuit diagram offers several advantages, including simpler addition and subtraction operations. Its use in modern computing highlights its efficiency and effectiveness.

Future Developments

Future 2 S Complement Circuit Diagram

As digital technology continues to evolve, the 2's complement circuit diagram is expected to remain a fundamental concept in digital design. Its efficiency and simplicity make it a timeless element in the world of digital electronics.

Thank you for exploring the intricacies of the 2's complement circuit diagram with us. We hope this article has provided you with a deeper understanding of this critical concept in digital electronics. Stay tuned for more insightful articles on wiring diagrams and schematic topics.

Conclusion:

#EANF#

Keyword:2 S Complement Circuit Diagram

Related Keywords:#EANF#


No comments:

Post a Comment