Tuesday, March 12, 2024

⚡️ 2000W Audio Amplifier Circuit Diagram: Unveiling the Power Behind Your Sound

Explore the intricacies of 2000W audio amplifier circuit diagrams. Learn how these diagrams can enhance your understanding of amplifier design and performance.

Looking to boost your audio system's performance? Dive into the world of 2000W audio amplifier circuit diagrams. These intricate diagrams unveil the inner workings of high-power amplifiers, providing a roadmap for enthusiasts and professionals alike. Whether you're a DIY enthusiast or a seasoned audio technician, understanding these circuits is key to unlocking the full potential of your sound system.In this article, we explore the intricate details of 2000W audio amplifier circuit diagrams, shedding light on their design, components, and functionality. From the basics of amplifier operation to advanced circuit configurations, we delve deep into the realm of audio amplification, offering insights that can enhance your understanding and appreciation of these powerful devices. Discover the secrets behind these circuits and take your audio experience to new heights with our comprehensive guide.

2000W Audio Amplifier Circuit Diagram: Unveiling the Power Behind Your Sound

Introduction 2000w Audio Amplifier Circuit Diagram

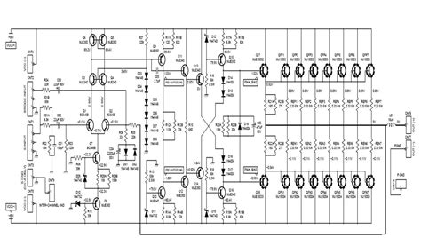
Wiring diagrams and schematic diagrams are essential tools for understanding the complex workings of electronic circuits. One such circuit that is often of interest to enthusiasts and professionals alike is the 2000W audio amplifier circuit diagram. This diagram reveals the intricate connections and components required to build a high-power audio amplifier capable of delivering exceptional sound quality.

Basics of Amplification 2000w Audio Amplifier Circuit Diagram

At the heart of any audio amplifier circuit is the amplification stage. This section of the circuit is responsible for increasing the amplitude of the audio signal, making it powerful enough to drive speakers. The 2000W audio amplifier circuit diagram typically features a robust amplification stage capable of delivering high power output.

Power Supply Section 2000w Audio Amplifier Circuit Diagram

The power supply section of the 2000W audio amplifier circuit diagram is crucial for providing the necessary voltage and current to the amplifier components. This section often features high-capacity capacitors and transformers to ensure stable power delivery.

Input Stage 2000w Audio Amplifier Circuit Diagram

The input stage of the amplifier circuit is where the audio signal is initially received and processed. This stage typically features components such as transistors or op-amps to amplify the weak audio signal before it reaches the main amplification stage.

Output Stage 2000w Audio Amplifier Circuit Diagram

The output stage of the 2000W audio amplifier circuit diagram is responsible for driving the speakers. This stage features powerful transistors or MOSFETs capable of handling high currents to deliver the audio signal to the speakers.

Protection Circuitry 2000w Audio Amplifier Circuit Diagram

Protection circuitry is an important feature of any high-power audio amplifier. This circuitry is designed to protect the amplifier and speakers from damage due to overloading, overheating, or short circuits.

Cooling System 2000w Audio Amplifier Circuit Diagram

The cooling system of a 2000W audio amplifier is crucial for maintaining optimal operating temperatures. This system typically includes heatsinks and fans to dissipate heat generated by the amplifier components.

Final Thoughts 2000w Audio Amplifier Circuit Diagram

2000W audio amplifier circuit diagrams offer a fascinating glimpse into the world of high-power audio amplification. Understanding these diagrams can provide valuable insights for audio enthusiasts and professionals looking to build or troubleshoot audio amplifiers.

Conclusion:

As we conclude our exploration of 2000W Audio Amplifier Circuit Diagrams, we hope you've gained valuable insights into the intricate world of amplifier design. Our detailed analysis has shed light on the components, configurations, and operation of these powerful circuits, empowering you to enhance your audio system's performance.We invite you to delve deeper into our archives, where you'll find a wealth of resources covering a wide range of audio amplifier circuit diagrams. Whether you're a seasoned enthusiast or just starting, our articles are designed to help you understand and navigate the complexities of amplifier design. Stay tuned for more informative content, and continue your journey toward audio excellence with us.

Keyword:2000w Audio Amplifier Circuit Diagram

Related Keywords:Wiring Diagram, Audio System, Circuit Diagrams, schematic topics, 2000W Audio Amplifier, Amplifier Design


No comments:

Post a Comment