Thursday, February 22, 2024

👀 2000 Nissan Quest Headlight Wiring Diagram: Illuminate Your Understanding

Discover the intricacies of your 2000 Nissan Quest's headlight wiring diagram. Unravel the circuitry and schematic to troubleshoot and repair your vehicle's lighting system.

Are you in the dark about your 2000 Nissan Quest headlights? Shedding light on the intricate wiring diagram and schematic, this article illuminates the path to understanding these essential components.Unraveling the complexities of your vehicle's electrical system, this guide illuminates the circuitry behind the headlight wiring diagram, providing a roadmap for troubleshooting and repairs. With a focus on clarity and precision, this article navigates through the intricate details of the schematic, shedding light on the inner workings of your Nissan Quest's lighting system.

2000 Nissan Quest Headlight Wiring Diagram: Illuminate Your Understanding

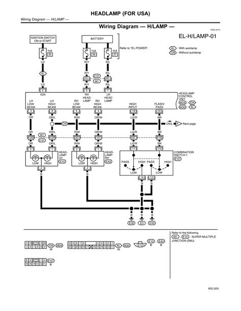
Understanding the 2000 Nissan Quest Headlight Wiring Diagram is crucial for maintaining and repairing your vehicle's lighting system. This diagram illustrates the electrical connections between the various components, such as the headlights, switches, and fuses, ensuring they function properly.

Components of the Wiring Diagram

Components of the Wiring Diagram

The headlight wiring diagram for the 2000 Nissan Quest typically includes detailed illustrations of the wiring harness, connectors, and associated components. These diagrams provide a visual representation of the circuitry, helping technicians identify and troubleshoot any issues.

Circuitry of the Headlight System

Circuitry of the Headlight System

The headlight system consists of various components, including the headlight bulbs, wiring harness, switches, and fuses. The wiring diagram provides a detailed layout of the circuitry, illustrating how power flows through the system to illuminate the headlights.

Troubleshooting and Repairing the Headlight System

Troubleshooting and Repairing the Headlight System

When issues arise with the headlight system, referring to the wiring diagram can help diagnose the problem. Whether it's a faulty switch, damaged wiring harness, or blown fuse, the diagram provides a roadmap for repairing the system.

Importance of Proper Wiring Diagram Usage

Importance of Proper Wiring Diagram Usage

Using the correct wiring diagram is crucial for ensuring the proper functioning of your headlight system. Incorrectly interpreting the diagram could lead to improper repairs, potentially causing further damage to the system.

Common Issues and Solutions

Common Issues and Solutions

Some common issues with headlight systems include dim or flickering headlights, which could be due to a faulty bulb, wiring connection, or switch. Referencing the wiring diagram can help pinpoint the exact cause of the problem.

Conclusion

Conclusion

The 2000 Nissan Quest Headlight Wiring Diagram is a valuable resource for understanding the headlight system and troubleshooting any issues that may arise. By utilizing this diagram, you can ensure your headlights function properly, providing you with optimal visibility on the road.

Conclusion:

In conclusion, exploring the 2000 Nissan Quest Headlight Wiring Diagram sheds light on the intricate wiring diagram and schematic intricacies of your vehicle's lighting system. Armed with this knowledge, you can confidently navigate through the complexities of troubleshooting and repairs, ensuring optimal performance and safety on the road.As you delve into the details of your Nissan Quest's headlight wiring diagram, remember the importance of understanding the circuitry and schematic to effectively address any issues that may arise. By equipping yourself with this knowledge, you empower yourself to tackle electrical challenges head-on, enhancing your driving experience and maintaining the integrity of your vehicle's lighting system.

Keyword:2000 Nissan Quest Headlight Wiring Diagram

Related Keywords:Troubleshooting, Diagram, schematic, Nissan Quest, Headlight Wiring, circuitry


No comments:

Post a Comment