Saturday, February 24, 2024

👋 2000 Passat Wiring Diagram: Master Your Car's Electrical System

Discover the intricacies of your 2000 Passat's electrical system with our comprehensive wiring diagram. Troubleshoot, install, or understand with ease.

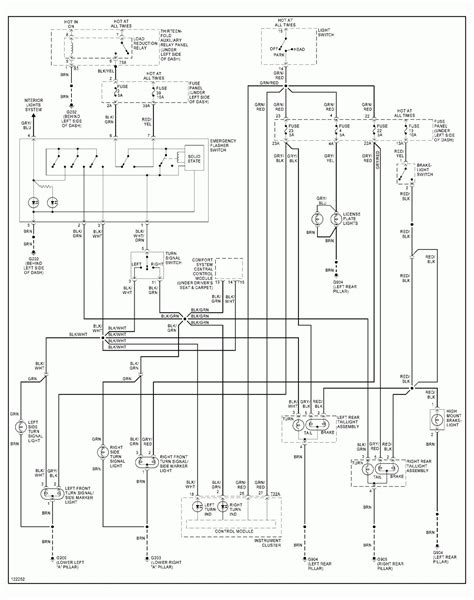
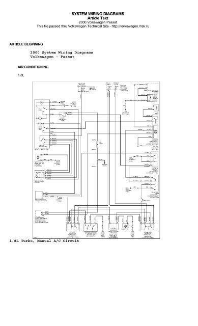
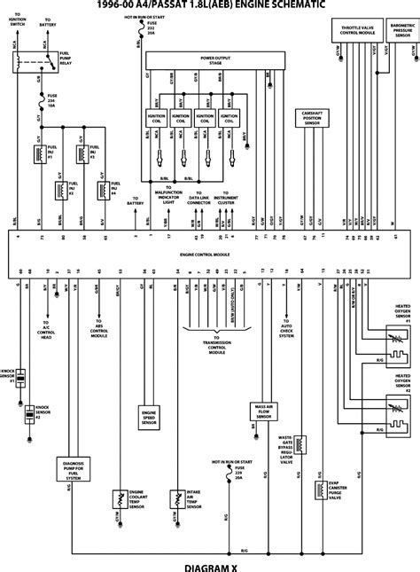
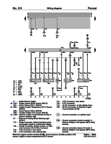
The 2000 Passat Wiring Diagram is a vital tool for understanding the intricate electrical systems of the Volkswagen Passat. This comprehensive schematic provides a detailed overview of the car's wiring, offering insights into its functionality and design. From the ignition system to the lighting circuits, this diagram covers all aspects of the vehicle's electrical setup. Understanding this diagram is crucial for troubleshooting electrical issues, installing aftermarket accessories, or simply gaining a deeper understanding of your Passat's inner workings.Moreover, the Passat Wiring Diagram serves as a valuable resource for automotive enthusiasts, electricians, and mechanics alike. Its detailed illustrations and clear labeling make it accessible to users of all skill levels, guiding them through the complexities of the Passat's electrical system with ease. Whether you're looking to diagnose a problem or embark on a DIY project, this wiring diagram is an indispensable tool for anyone working on a 2000 Passat.

2000 Passat Wiring Diagram: Master Your Car

Understanding the Importance of Wiring Diagrams

Wiring diagrams are essential blueprints that illustrate the electrical connections and functions of a vehicle's various components. They provide a visual representation of the wiring layout, aiding in diagnostics, repairs, and modifications. In the case of the 2000 Passat, having access to the 2000 Passat Wiring Diagram is crucial for understanding the car's electrical system.

Components of the 2000 Passat Wiring Diagram

The 2000 Passat Wiring Diagram typically includes detailed illustrations of the car's wiring harness, connectors, and various electrical components such as sensors, switches, and relays. Each component is labeled and connected by lines that represent the wiring paths.

Interpreting the Symbols and Codes

Wiring diagrams use standardized symbols and color codes to represent different electrical components and their connections. Understanding these symbols is key to deciphering the 2000 Passat Wiring Diagram accurately.

Using the Wiring Diagram for Diagnostics

When troubleshooting electrical issues in your 2000 Passat, the wiring diagram can be a valuable tool. By tracing the wiring and checking for continuity and voltage, you can pinpoint the source of the problem and make the necessary repairs.

Modifying or Upgrading Your 2000 Passat's Electrical System

If you're looking to install aftermarket accessories or upgrade the electrical system in your 2000 Passat, the wiring diagram provides a roadmap for safely integrating new components into the existing system.

Ensuring Safety and Avoiding Damage

Working with electrical systems can be dangerous, so it's crucial to follow safety precautions when using the 2000 Passat Wiring Diagram. Avoid short circuits and damage to components by disconnecting the battery and following proper wiring practices.

Seeking Professional Assistance

If you're unsure about interpreting the 2000 Passat Wiring Diagram or performing electrical work on your vehicle, it's always best to seek help from a qualified mechanic or automotive electrician to avoid potential safety hazards or damage to your vehicle.

Conclusion

The 2000 Passat Wiring Diagram is an invaluable resource for understanding and working on the electrical system of your vehicle. Whether you're troubleshooting, modifying, or simply curious, having access to this diagram can make a world of difference in your automotive endeavors.

Conclusion:

In conclusion, the 2000 Passat Wiring Diagram serves as a comprehensive guide for understanding and working with the electrical systems of the Volkswagen Passat. Whether you're a seasoned mechanic or a DIY enthusiast, this diagram provides invaluable insights into the intricate network of wires and components that make up your vehicle's electrical system. By using the 2000 Passat Wiring Diagram as a reference, you can confidently diagnose and resolve electrical issues, install aftermarket accessories, or simply gain a deeper understanding of your Passat's inner workings.Moreover, the 2000 Passat Wiring Diagram is not just a tool for repairs and modifications; it is also a gateway to a greater appreciation for the engineering marvel that is the Volkswagen Passat. As you delve into the world of automotive electrical systems, you'll gain a newfound respect for the intricate design and functionality of your vehicle. So, whether you're tackling a wiring issue or simply satisfying your curiosity, the 2000 Passat Wiring Diagram is your key to unlocking the mysteries of your Passat's electrical system.

Keyword:2000 Passat Wiring Diagram

Related Keywords:Troubleshooting, Wiring Diagram, Electrical System, Modifications, Volkswagen Passat, 2000 Passat


No comments:

Post a Comment